|
|
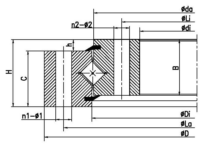
| INA 型號 | LYC 型號 | 外形尺寸(mm) | 安裝尺寸(mm) | 結構尺寸(mm) | 齒參數(mm) | 額定軸向靜負荷(KN) | 重量(KG) | | Da | D | di | H | La | Li | n1 | n2 | φ1 | φ2 | D1 | d | b | h | B | C | Di | da | m | z | do | x |
| XU 120179 |
|
| 234 | 124.5 | 35 | 214 | 144.5 | 12 | 12 | 11 | 11 | | | | 5 | 30 | 30 | 180 | 178 | | | | | 210 | 7 |
| XU 160220 |
|
| 302 | 138 | 46 | 270 | 170 | 10 | 10 | 18 | 18 | | | | 5 | 41 | 41 | 221 | 219 | | | | | 320 | 16 |
| XU120222 |
|
| 300 | 140 | 36 | 270 | 170 | 12 | 12 | M16 | φ18 | | | | 6 | 30 | 30 | 220 | 218 | | | | | 280 | 10.8 |
| |
|
| 350 | 190 | 52 | 320 | 220 | 4 | 4 | M10 | M10 | | | | 8 | 44 | 44 | 271.5 | 268.5 | | | | | 340 | 22.3 |
| XU 160260 |
|
| 326 | 191 | 46 | 305 | 215 | 20 | 20 | 14 | 14 | | | | 5 | 41 | 41 | 261 | 259 | | | | | 380 | 15 |
| |
|
| 311.15 | 215.9 | 25.4 | 295.275 | 231.775 | 12 | 12 | φ11 | φ11 | | | | | 25.4 | 25.4 | 264.6 | 263.4 | | | | | 195 | 6.7 |
| |
|
| 401 | 233 | 40 | 380 | 260 | 8 | 8 | M12 | M12 | | | | | 30.5 | 31.5 | 318 | 316 | | | | | 200 | 10.5 |
| XU 180380 |
|
| 485 | 275 | 55 | 453 | 307 | 16 | 16 | φ18 | φ18 | | | | 5 | 50 | 50 | 381.5 | 378.5 | | | | | 625 | 45.5 |
| |
79764 |
| 550 | 320 | 85 | 515 | 365 | 12 | 8 | 17 | 18 | | | | 10 | 75 | 75 | 442 | 438 | | | | | 8820 | 85.6 |
| XU 180412 |
|
| 501 | 324 | 55 | 469 | 356 | 18 | 18 | 18 | 18 | | | | 5 | 50 | 50 | 413 | 411 | | | | | 625 | 40 |
| XU 180405 |
|
| 747 | 336 | 46 | 450 | 360 | 30 | 30 | 14 | 14 | | | | 5 | 41 | 41 | 406 | 404 | | | | | 600 | 25 |
| XU 180433 |
|
| 522 | 344 | 55 | 490 | 376 | 20 | 20 | 18 | 18 | | | | 5 | 50 | 50 | 434 | 432 | | | | | 660 | 42 |
| XSU 140414 |
|
| 484 | 344 | 56 | 460 | 368 | 24 | 24 | 14 | 14 | | | | 11.5 | 44.5 | 44.5 | 415 | 413 | | | | | 520 | 28 |
| XU 220460 |
|
| 568 | 356 | 64 | 524 | 396 | 18 | 18 | 22 | 22 | | | | 5 | 59 | 59 | 461 | 459 | | | | | 962 | 64 |
| |
|
| 589.5 | 378 | 75 | 540 | 410 | 18 | 18 | φ18 | φ18 | | 384 | | 17 | 58 | 60 | 476.5 | 473.5 | | | | | 980 | 71.8 |
| |
|
| 589 | 383 | 75 | 540 | 410 | 36 | 35 | φ16 | φ16 | 565 | 384 | | 12 | 63 | 60 | 476.5 | 473.5 | | | | | 1180 | 64.8 |
| XU 300515 |
|
| 646 | 384 | 86 | 598 | 432 | 18 | 18 | 26 | 26 | | | | 7 | 79 | 79 | 516 | 514 | | | | | 1300 | 115 |
| XU 180475 |
|
| 562 | 388 | 55 | 530 | 420 | 20 | 20 | 18 | 18 | | | | 5 | 50 | 50 | 476 | 474 | | | | | 725 | 46 |
| |
110.25.500.** |
| 602 | 398 | 75 | 566 | 434 | 20 | 20 | 18 | 18 | | | | 10 | 65 | 65 | 501 | 499 | | | | | 1040 | 80 |
| XU 240545 |
|
| 655 | 435 | 79 | 615 | 475 | 24 | 24 | 22 | 22 | | | | 7 | 72 | 72 | 546 | 544 | | | | | 1150 | 94 |
| |
110.25.560.** |
| 662 | 458 | 75 | 626 | 494 | 20 | 20 | 18 | 18 | | | | 10 | 65 | 65 | 561.5 | 558.5 | | | | | 1160 | 90 |
| XU 220574 |
|
| 680 | 468 | 68 | 640 | 508 | 20 | 20 | 22 | 22 | | | | 7 | 61 | 61 | 575 | 573 | | | | | 1212 | 82 |
| XU 300586 |
|
| 704 | 468 | 86 | 664 | 508 | 36 | 36 | 22 | 22 | | | | 7 | 79 | 79 | 587 | 585 | | | | | 1475 | 115 |
| XSU 140544 |
|
| 614 | 474 | 56 | 590 | 498 | 32 | 32 | 14 | 14 | | | | 11.5 | 44.5 | 44.5 | 545 | 543 | | | | | 680 | 38 |
| |
110.25.630.** |
| 732 | 528 | 75 | 696 | 564 | 24 | 24 | 18 | 18 | | | | 10 | 65 | 65 | 631.5 | 628.5 | | | | | 1300 | 100 |
| XU 280680 |
|
| 795 | 565 | 79 | 755 | 605 | 30 | 30 | 22 | 22 | | | | 7 | 72 | 72 | 681 | 679 | | | | | 1525 | 120 |
| XSU 140644 |
|
| 714 | 574 | 56 | 690 | 598 | 36 | 36 | 14 | 14 | | | | 11.5 | 44.5 | 44.5 | 645 | 643 | | | | | 800 | 44 |
| |
797/600G2 |
| 900 | 600 | 125 | 848 | 690 | 30 | 29 | 26 | M24 | | | | 20 | 105 | 115 | 754 | 750 | | | | | 2800 | 246 |
| |
110.25.710.** |
| 812 | 608 | 75 | 776 | 644 | 24 | 24 | 18 | 18 | | | | 10 | 65 | 65 | 711.5 | 708.5 | | | | | 1490 | 110 |
| XU 300785 |
|
| 900 | 670 | 86 | 860 | 710 | 36 | 36 | 22 | 22 | | | | 7 | 79 | 79 | 786 | 784 | | | | | 2050 | 155 |
|