|
|
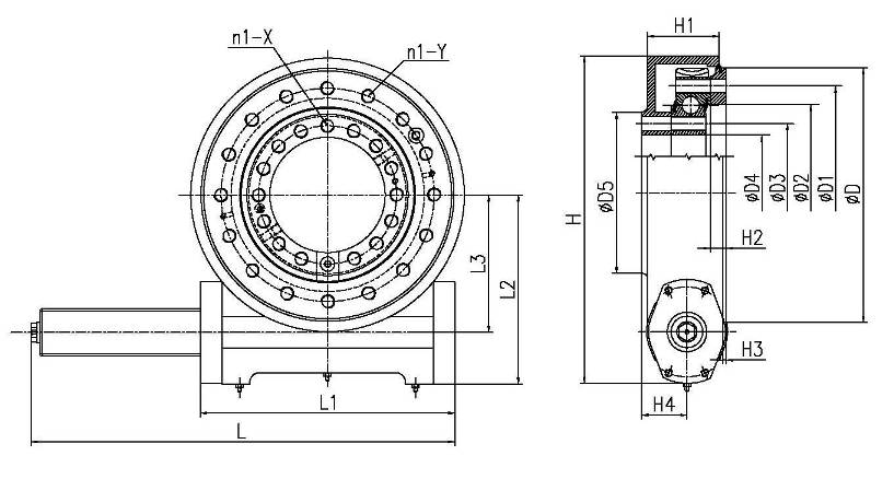
| 額定輸出扭矩 KN-m | 傾覆力矩 KN-m | 負荷 KN | 齒輪減速比 | 自鎖性 | 外形尺寸(mm) | 重量(KG) | | 軸向額定靜負荷 | 徑向額定靜負荷 | 軸向額定動負荷 | 徑向額定動負荷 | L | L1 | L2 | L3 | H2 | H3 | H4 | ΦD | ΦD1 | ΦD2 | ΦD3 | ΦD4 | ΦD5 | n1-Y | n1-X | H | H1 |
| 0.25 | 0.5 | 30 | 16.6 | 9.6 | 8.4 | 62:1 | yes | 346 | 153 | 114 | 80 | | 14.5 | 60.5 | 125 | 100 | | 100 | | 126 | 6-M10 | 6-M10 | 190 | 109 | 12 |
| 0.37 | 0.8 | 76 | 22.6 | 13.8 | 11.8 | 62:1 | yes | 361 | 168 | 128 | 93.7 | 24.6 | 7 | 38 | 161 | 135 | 103.5 | 70 | 50 | 120 | 6-M10 | 7-M10 | 219 | 79 | 18 |
| 1.3 | 13.5 | 133 | 53 | 32 | 28 | 73:1 | yes | 398 | 182 | 166 | 132.7 | 23.4 | 4.3 | 42.5 | 237.5 | 203.2 | 163 | 120.6 | 98 | 145 | 8-M12 | 10-M12 | 295 | 81 | 23 |
| 9.2 | 33.9 | 338 | 135 | 81 | 71 | 61:1 | yes | 546 | 314 | 239 | 174.1 | 29 | 4.4 | 54.5 | 316 | 270 | 222.5 | 175 | 145 | 204 | 16-M16 | 15-M16 | 411 | 108 | 50 |
| 11.7 | 54.3 | 475 | 190 | 114 | 100 | 78:1 | yes | 556 | 324 | 285 | 220 | 27 | 4.4 | 58.5 | 401.5 | 358 | 308.5 | 259 | 229 | 289 | 18-M16 | 19-M16 | 500 | 110.5 | 60 |
| 12.7 | 67.8 | 555 | 222 | 133 | 117 | 85:1 | yes | 547 | 330 | 303 | 238 | 28 | 3.5 | 59 | 435.5 | 390 | 342.5 | 295 | 265 | 325 | 18-M16 | 23-M16 | 530 | 110 | 73 |
| 18.5 | 135.6 | 975 | 390 | 235 | 205 | 102:1 | yes | 555 | 338 | 340 | 275.3 | 26 | 4.6 | 66 | 522 | 479.4 | 425.5 | 365.1 | 324 | 406 | 20-M16 | 20-M16 | 615 | 126 | 110 |
| 29 | 203 | 1598 | 640 | 385 | 335 | 125:1 | yes | 678 | 461 | 398 | 333 | 3.3 | 4.5 | 76 | 616 | 584.2 | 525.5 | 466.7 | 431.8 | 532 | 36-M20 | 35-M20 | 732 | 136.5 | 158 |
| 34 | 271 | 2360 | 945 | 590 | 470 | 150:1 | yes | 678 | 461 | 467 | 401.8 | 6.2 | 4.5 | 78.2 | 744 | 675 | 620 | 585 | 512 | 628.5 | 36-M20 | 35-M20 | 863 | 133.2 | 230 |
|