|
|
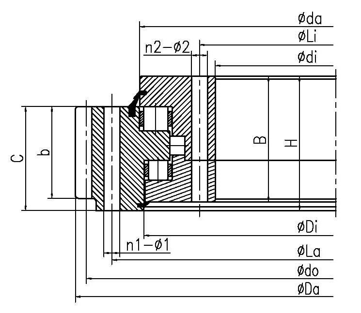
| INA 型號 | LYC 型號 | TG 型號 | 外形尺寸(mm) | 安裝尺寸(mm) | 結構尺寸(mm) | 齒參數(mm) | 額定軸向靜負荷(KN) | 重量(KG) | | Da | D | di | H | La | Li | n1 | n2 | φ1 | φ2 | D1 | d | b | h | B | C | Di | da | m | z | do | x |
| YA 25 0500N |
|
|
738 | | 336 | 148 | 630 | 396 | 16 | 16 | ф33 | ф33 | | | 102 | 36 | 134 | 112 | 522 | 544 | 10 | 72 | 720 | | 446 | 260 |
| |
131.25.500.** |
|
665 | | 366 | 148 | 598 | 402 | 24 | 24 | 18 | 18 | 634 | | 80 | 32 | 138 | 116 | 526 | 537 | 5 | 130 | 650 | +0.5 | 2750 | 224 |
| |
132.25.500.** |
|
666 | | 366 | 148 | 598 | 402 | 24 | 24 | 18 | 18 | 634 | | 80 | 32 | 138 | 116 | 463 | 474 | 6 | 108 | 648 | +0.5 | 2750 | 224 |
| |
131.25.560.** |
|
725 | | 426 | 148 | 658 | 462 | 24 | 24 | 18 | 18 | 694 | | 80 | 32 | 138 | 116 | 586 | 597 | 5 | 142 | 710 | +0.5 | 3080 | 240 |
| |
132.25.560.** |
|
726 | | 426 | 148 | 658 | 462 | 24 | 24 | 18 | 18 | 694 | | 80 | 32 | 138 | 116 | 523 | 534 | 6 | 118 | 708 | +0.5 | 3080 | 240 |
| |
132.25.630.** |
|
808 | | 496 | 148 | 728 | 532 | 28 | 28 | 18 | 18 | 764 | | 60 | 32 | 138 | 116 | 593 | 604 | 8 | 98 | 784 | +0.5 | 3450 | 270 |
| |
131.25.630.** |
|
810 | | 496 | 148 | 728 | 532 | 28 | 28 | 18 | 18 | 764 | | 80 | 32 | 138 | 116 | 656 | 667 | 6 | 132 | 792 | +0.5 | 3450 | 270 |
| |
132.25.710.** |
|
888 | | 576 | 148 | 808 | 612 | 28 | 28 | 18 | 18 | 844 | | 80 | 32 | 138 | 116 | 673 | 684 | 8 | 108 | 864 | +0.5 | 3880 | 300 |
| |
131.25.710.** |
|
888 | | 576 | 148 | 808 | 612 | 28 | 28 | 18 | 18 | 844 | | 80 | 32 | 138 | 116 | 736 | 747 | 6 | 145 | 870 | +0.5 | 3880 | 300 |
| |
131.32.800.** |
|
1008 | | 636 | 182 | 920 | 680 | 36 | 36 | 22 | 22 | 964 | | 120 | 40 | 172 | 142 | 830 | 841 | 8 | 123 | 984 | +0.5 | 5490 | 500 |
| |
132.32.800.** |
|
1010 | | 636 | 182 | 920 | 680 | 36 | 36 | 22 | 22 | 964 | | 120 | 40 | 172 | 142 | 759 | 770 | 10 | 98 | 980 | +0.5 | 5490 | 500 |
| YA 20 0815N |
|
|
1014.1 | | 676 | 120 | 925 | 725 | 28 | 28 | ф26 | ф26 | | | 80 | 30 | 106 | 90 | 838 | 849 | 8 | 125 | 1000 | | 761 | 290 |
| |
131.32.900.** |
|
1104 | | 736 | 182 | 1020 | 780 | 36 | 36 | 22 | 22 | 1064 | | 120 | 40 | 172 | 142 | 930 | 941 | 8 | 135 | 1080 | +0.5 | 6190 | 600 |
| |
132.32.900.** |
|
1110 | | 736 | 182 | 1020 | 780 | 36 | 36 | 22 | 22 | 1064 | | 120 | 40 | 172 | 142 | 859 | 870 | 10 | 108 | 1080 | +0.5 | 6190 | 600 |
| |
131.32.1000.** |
|
1220 | | 836 | 182 | 1120 | 880 | 40 | 40 | 22 | 22 | 1164 | | 120 | 40 | 172 | 142 | 1030 | 1041 | 10 | 119 | 1190 | +0.5 | 6890 | 680 |
| |
132.32.1000.** |
|
1224 | | 836 | 182 | 1120 | 880 | 40 | 40 | 22 | 22 | 1164 | | 120 | 40 | 172 | 142 | 959 | 970 | 12 | 99 | 1188 | +0.5 | 6890 | 680 |
| |
|
|
1281.6 | | 851 | 147 | 1158 | 917 | 48 | 48 | φ33 | φ33 | 1224 | | 120 | 9 | 138 | 127 | 1056 | 1069 | 12 | 104 | 1248 | 0.5 | 7600 | 571.3 |
| |
131.32.1120.** |
|
1340 | | 956 | 182 | 1240 | 1000 | 40 | 40 | 22 | 22 | 1284 | | 120 | 40 | 172 | 142 | 1150 | 1161 | 10 | 131 | 1310 | +0.5 | 7680 | 820 |
| |
132.32.1120.** |
|
1344 | | 956 | 182 | 1240 | 1000 | 40 | 40 | 22 | 22 | 1284 | | 120 | 40 | 172 | 142 | 1079 | 1090 | 12 | 109 | 1308 | +0.5 | 7680 | 820 |
| |
132.40.1250.** |
|
1512 | | 1055 | 220 | 1393 | 1107 | 45 | 45 | 26 | 26 | 1445 | | 150 | 50 | 210 | 170 | 1200 | 1210 | 14 | 105 | 1470 | +0.5 | 11100 | 1200 |
| |
131.40.1250.** |
|
1512 | | 1055 | 220 | 1393 | 1107 | 45 | 45 | 26 | 26 | 1445 | | 150 | 50 | 210 | 170 | 1290 | 1300 | 12 | 123 | 1476 | +0.5 | 11100 | 1200 |
| |
|
|
1461.6 | | 1103 | 132 | 1355 | 1155 | 36 | 36 | 26 | 26 | | | 106 | 26 | 123 | 106 | 1282 | 1280 | 12 | 119 | 1428 | 0.5 | 7350 | 542 |
| YA 20 1270N |
|
|
1470.1 | | 1132 | 120 | 1380 | 1180 | 44 | 44 | 26 | 26 | | | 80 | 30 | 106 | 90 | 1293 | 1304 | 8 | 182 | 1456 | | 1206 | 450 |
| |
132.40.1400.** |
|
1666 | | 1205 | 220 | 1543 | 1257 | 45 | 45 | 26 | 26 | 1595 | | 150 | 50 | 210 | 170 | 1350 | 1360 | 14 | 116 | 1624 | +0.5 | 12400 | 1300 |
| |
131.40.1400.** |
|
1668 | | 1205 | 220 | 1543 | 1257 | 45 | 45 | 26 | 26 | 1595 | | 150 | 50 | 210 | 170 | 1440 | 1450 | 12 | 136 | 1632 | +0.5 | 12400 | 1300 |
| YA 25 1390N |
|
|
1637.8 | | 1226 | 148 | 1520 | 1286 | 32 | 32 | 33 | 33 | | | 102 | 36 | 134 | 112 | 1412 | 1434 | 10 | 162 | 1620 | | 1316 | 745 |
| |
|
|
1635.2 | | 1253 | 132 | 1505 | 1305 | 36 | 36 | 26 | 26 | | | 106 | 26 | 123 | 106 | 1432 | 1430 | 14 | 114 | 1596 | 0.5 | 8200 | 646 |
| YA 20 1490N |
|
|
1701.6 | | 1352 | 120 | 1600 | 1400 | 50 | 50 | 26 | 26 | | | 80 | 30 | 106 | 90 | 1513 | 1524 | 12 | 140 | 1680 | | 1421 | 530 |
| |
132.40.1600.** |
|
1872 | | 1405 | 220 | 1743 | 1457 | 48 | 48 | 26 | 26 | 1795 | | 150 | 50 | 210 | 170 | 1550 | 1560 | 16 | 114 | 1824 | +0.5 | 14200 | 1520 |
| |
131.40.1600.** |
|
1876 | | 1405 | 220 | 1743 | 1457 | 48 | 48 | 26 | 26 | 1795 | | 150 | 50 | 210 | 170 | 1640 | 1650 | 14 | 131 | 1834 | +0.5 | 14200 | 1520 |
|